全国统一服务热线
400-610-6025
首 页
企业简介
公司概况
证书荣誉
组织结构
业务范围
业绩案例
工艺材料
行业动态
资料下载
新利xinli(中国)
当前位置:
首页
>
图集
>
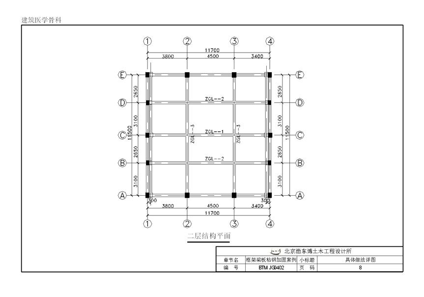
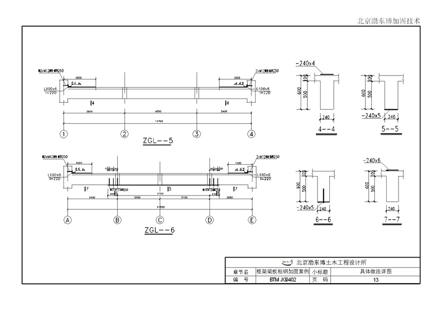
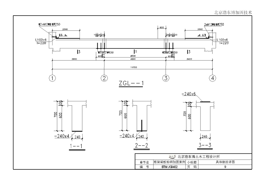
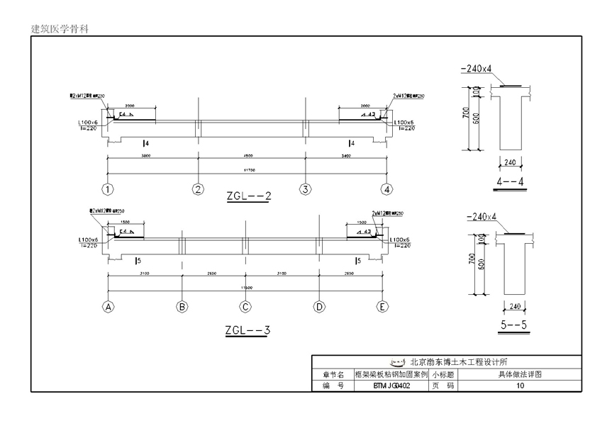
框架梁板粘钢加固案例
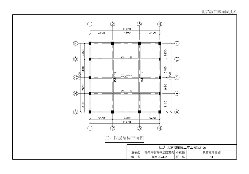
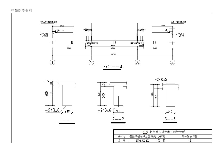
框架梁板粘钢加固案例
版权所有:北京渤东博土木工程有限公司
邮箱:jiagu@bodongbo.com
传真:010-64403408
电话:400-610-6025 800-810-6025 010-64403428
地址:北京市朝阳区北苑东路19号院2号楼1206室(中国铁建广场C座)
京ICP备2022035419号-1
雷火在线官网
|
安博官网入口【中国】官方网站
|
开云官方网页版
|
新利手机官方
|
江南平台客服
|
天行在线
|
安博电子·(中国)唯一官方网站
|
天行中国手机网页版
|
安博线上登录官网入口
|